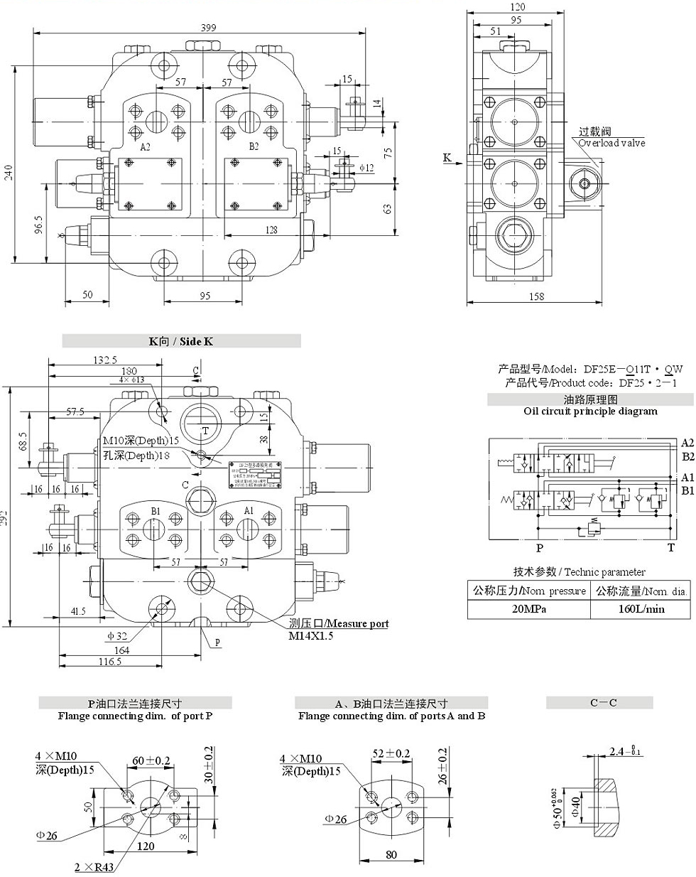
DF25.2-1外型安装连接尺寸

版权所有:泸州金江液压件有限责任公司  地址:泸州市江阳区邻玉镇漕溪村3组2幢  邮编: 646002 

 
电话:0830-3106798 18982473197 13079133588 网址:http://www.lzjjyy.com  邮箱:6685425@qq.com 在线QQ:
点击这里给我发消息