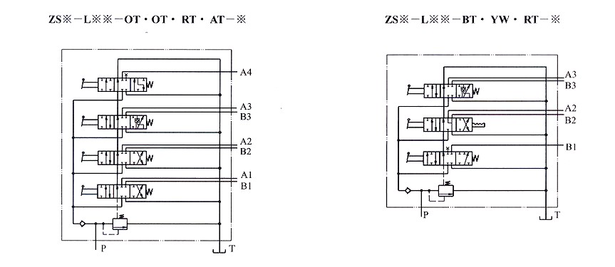
型号说明
型号举例
<产品目录>
<上一页>
<下一页>
版权所有:泸州金江液压件有限责任公司 地址:泸州市江阳区邻玉镇漕溪村3组2幢 邮编: 646002
电话:0830-3106798 18982473197 13079133588 网址:http://www.lzjjyy.com 邮箱:6685425@qq.com 在线QQ: