DC20多路阀外形安装连接尺寸
  ※合流块宽38mm,不需要应减去
  注:1、当有过桥阀体时,回油口在T1位置,引出压力油口在T口位置
    2、液控的先导口在盖端,油口尺寸M14*1.5-6H,盖长为56
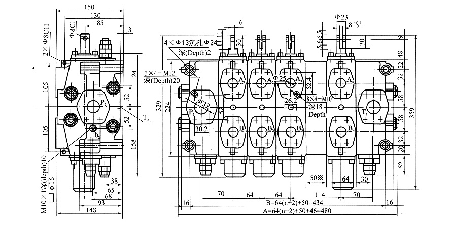
 DC25多路阀外形安装连接尺寸
※合流块宽50mm,不需要应减去
当有过桥阀体时,回油50口在T2位置,引出压力油口在T1口位置。

版权所有:泸州金江液压件有限责任公司  地址:泸州市江阳区邻玉镇漕溪村3组2幢  邮编: 646002 

 
电话:0830-3106798 18982473197 13079133588 网址:http://www.lzjjyy.com  邮箱:6685425@qq.com 在线QQ:
点击这里给我发消息